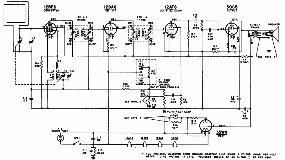
Este receptor de configuração comum usava antena de quadro e 5 válvulas com os filamentos ligados em série. O circuito se destinava a faixa de ondas médias.
A falta de un foto-transistor o de una foto-diodo en una aplicación de emergencia o incluso para...
Un altavoz viejo, una o dos baterías (incluso bajas), una lima y es todo lo que el lector necesita para...
Describimos un simple temporizador o temporizador que puede encender o apagar un aparato eléctrico o...