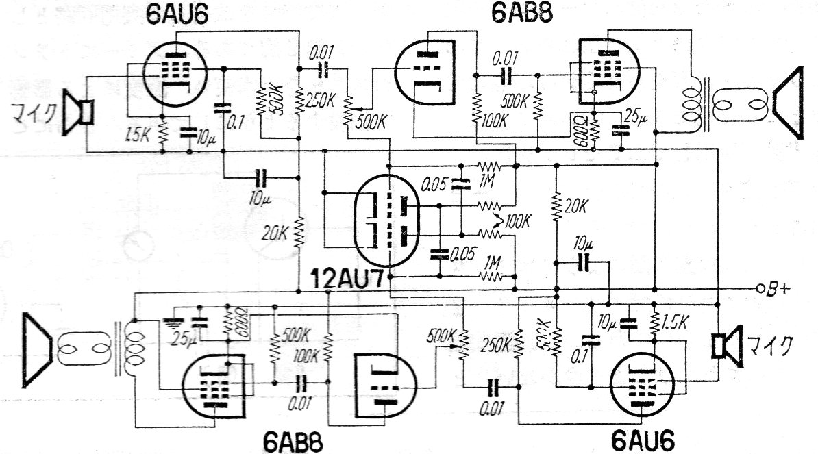
Este intercomunicador valvular se obtuvo en una publicación de los años 60. El circuito no utiliza la llave conmutadora y la fuente de alimentación no está incluida. Los micrófonos son tipos de baja impedancia.
La finalidad de esta experiencia muy simple es mostrar que una corriente eléctrica transporta energía...
Con este circuito podemos probar capacitores no electrolíticos (poliéster, cerámicos, styroflex, etc.)...
Los reguladores de tensión de 5 a 15 V para las corrientes de 1 A, se pueden obtener fácilmente en forma...