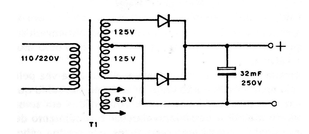
Esta fuente está indicada para la alimentación de la radio anterior (V1039). El secundario del transformador debe tener al menos 25 mA y los diodos rectificadores pueden ser los 1N4007. El condensador de filtro puede tener valores entre 8 y 32 uF típicamente.




