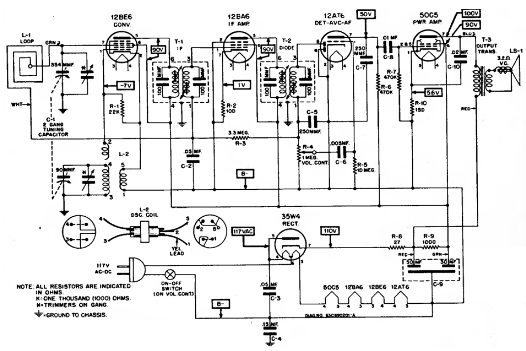
Encontramos esta radio en un esquemario de la época. Se trata de un receptor de 5 válvulas con filamentos en serie y antena de cuadro para la banda de ondas medias.
En la figura 1 tenemos un órgano electrónico de juguete que puede tanto servir para divertir a los niños...
La acción rápida de conmutación del 4093 ayuda a obtener un circuito de interruptor nocturno que no se...
Girando un pequeño motor con la ayuda de un volante, producimos un sonido similar al de una sirena...