Los receptores de radio superheterodinos de tubo estuvieron de moda durante muchos años, entre 1930 y 1960 aproximadamente, siendo el principal aparato en la mayoría de los hogares. En aquella época el principal objetivo de todo técnico en electrónica era saber cómo funcionaban dichos receptores, ya que suponían el 90% de los trabajos de reparación de su taller. Aún hoy vemos estas radios en manos de coleccionistas, quienes las recuperan y las presentan en sus cajas originales, que fueron verdaderas obras de arte como se ilustra en este artículo. Nuestro propósito en este artículo es recordar a los técnicos antiguos cómo funcionaban esas radios y enseñarles a los nuevos un poco sobre la electrónica de válvulas más tradicional.
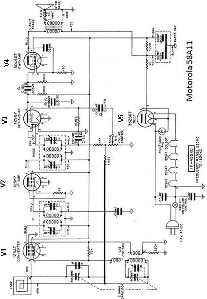
Tomamos como punto de partida para nuestro artículo una radio tradicional “cola caliente” de 5 válvulas, ejemplo de los millones que existían a mediados del siglo pasado y cuyo esquema se muestra en la figura 1.

A este tipo de receptor se le llamó “cola caliente” porque, para alimentar los filamentos de las válvulas conectadas en serie, era necesario tener una reducción de tensión, lo que se lograría conectando un resistor en serie. Bueno, este resistor era el hilo de nicromo del propio de energía. Así, cuando la radio funcionaba, este hilo se calentaba ligeramente, disipando el calor, lo que dio origen al nombre que se hizo popular entre los técnicos.
Analicemos entonces el funcionamiento de nuestro receptor que, en el ejemplo, fue proyectado únicamente para recibir ondas medias. Si bien la onda corta era popular y los receptores simplemente tenían juegos de bobinas adicionales, la FM no existía.
El receptor indicado utiliza una antena de marco, es decir, en la parte posterior de la radio, normalmente de madera, se enrollaba una bobina en forma de marco, calculada para sintonizar la banda de onda media.
Cómo Funciona:
Las señales captadas por la antena de cuadro y sintonizadas a través de un capacitor variable de dos secciones son conducidas a una de las rejillas de la válvula mezcladora - convertidor V1. Esta válvula tiene una doble función, pues también tiene la función de oscilar, produciendo una frecuencia que depende de la emisora sintonizada. Así, la bobina osciladora conectada a esta válvula y la otra sección de la variable forman un circuito que siempre producirá una frecuencia cuya diferencia con relación a la frecuencia de la emisora sintonizada es de 455 kHz.
Así, sea cual sea la frecuencia de la emisora, el oscilador siempre produce una señal cuya diferencia resulta de 455 kHz. ¿Por qué eso? La idea es que combinando las señales de la emisora de esta forma, obteniendo siempre 455 kHz, podamos utilizar un circuito de frecuencia fija para hacer el amplificador a partir de ahora. Esto se llama heterodinaje y la diferencia de frecuencia, 455 kHz, se llama Frecuencia Intermedia o FI.
Así, como podemos ver en el esquema del ánodo de la válvula, conectamos un transformador sintonizado a 455 kHz, el transformador de FI, por donde las señales de cualquier estación, ahora convertidas a esta frecuencia, pueden pasar a la siguiente etapa.
La etapa siguiente es el primer amplificador de FI, teniendo por elemento principal la válvula V2. Luego, esta válvula amplifica estas señales y las envía al segundo transformador FI desde donde pasan a la siguiente etapa.
El siguiente paso tiene una doble función. Sirve como soporte y al mismo tiempo como preamplificador de audio. Se utiliza una válvula triodo con dos dínodos (pequeños electrodos auxiliares). Aplicando la señal FI, que es una señal modulada a 455 kHz, la válvula detecta estas señales, separando la componente de alta frecuencia (455 kHz) de la señal de audio que deseamos reproducir.
La señal de alta frecuencia se desvía a tierra, pero la señal de audio se aplica a la rejilla de válvulas y luego se amplifica. Este es el punto en la radio donde dejamos de tener señales de alta frecuencia y comenzamos a tener solo señales de audio de baja frecuencia.
El potenciómetro de control de volumen está conectado al ánodo de la válvula V3, lo que nos permite determinar cuánto audio pasa a la siguiente válvula, que es la válvula de salida (V4).
Para la amplificación de potencia de audio, normalmente se usaban válvulas de potencia como 50L6. Esta válvula proporciona una potencia de salida de aproximadamente 2 W, que es más que suficiente para una radio de mesa pequeña como ésta.
Sin embargo, tenga en cuenta que el altavoz no se puede conectar directamente a la válvula, ya que el altavoz es de baja impedancia y las válvulas son dispositivos de alta impedancia de salida. Para igualar las impedancias, se utiliza un pequeño transformador de salida donde se conecta el altavoz.
Los elementos adicionales de los pasos son resistores de polarización y capacitores de acoplamiento y desacoplamiento.
Los receptores transistorizados siguen el mismo esquema de funcionamiento con la única diferencia de que se utiliza un transistor en lugar de cada válvula.
Para colmo, el suministro de corriente continua para este circuito proviene de una fuente especial. El circuito debe funcionar con una tensión de unos 150 V continuos, que se obtiene comprobando y filtrando la tensión de red. Esta función la realiza la válvula V5, un rectificador de media onda 35Z5. En la entrada aplicamos corriente alterna directamente de la red y en la salida obtenemos corriente continua que es filtrada por un gran doble electrolítico.
Tenga en cuenta que esta radio no está aislada de la red, por lo que representa un riesgo de descarga eléctrica para cualquiera que toque sus piezas.
Para los técnicos, la mayor parte del trabajo posterior a la reparación consistió en hacer configures, logrando que los circuitos funcionan a la frecuencia correcta. Tenga en cuenta la cantidad de reguladores que tuvieron que configurarse cuidadosamente para que el circuito funcionara. En nuestra sección de ideas prácticas tenemos el procedimiento para esta configuración.



