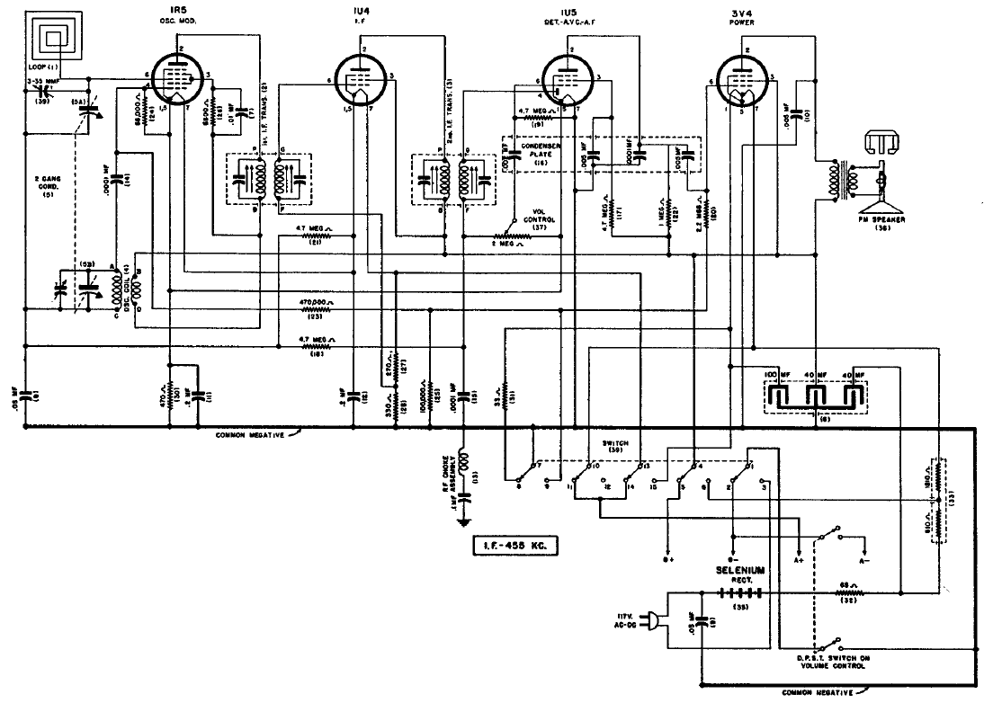
Este receptor de 4 válvulas recibía las estaciones de onda medias y tenía por diferencial el uso de un diodo de selenio en la fuente, en lugar de la válvula rectificadora.
El circuito mostrado en la figura activa una pequeña lámpara indicadora que parpadeará cuando la...
El circuito presentado tiene como objetivo controlar una carga de potencia de corriente continua...
Generar un ruido blanco para usos en diversas finalidades aprovechando el ruido de la unión base /...