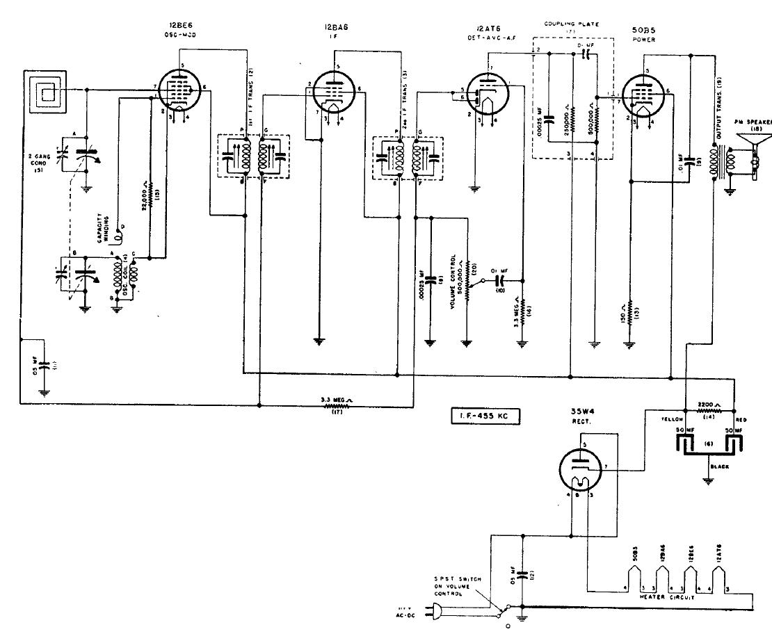
Este circuito de marca poco conocido fue obtenido en un esquemario de la época. El uso de la configuración tradicional en la época con antena de cuadro y filamentos en serie, encontrada en muchos radios brasileños de la época.
Podemos utilizar capacitores electrolíticos de gran valor en circuitos de corriente alterna con la...
Este circuito apareció en la revista Radio Electronics de mayo de 1983. Está basado en el circuito...
Este circuito consta de un amplificador para la banda de onda media. Lo encontramos en una...