Cuando se repara un equipo electrónico, como un receptor de radio, un amplificador, o un transceptor, el primer paso a dar en la localización de los componentes deficientes consiste en la localización de la etapa o etapa inoperante o deficiente.
Nota: el artículo es da década de 70
Un óptimo auxiliar para esta tarea es el inyector de señales, principalmente si el lector no dispone de un taller. bien equipada con aparatos más sofisticados. Con un inyector de señales, la tarea de localizar etapas o pasos inoperantes, queda bastante simplificada y su consecuente reparación mucho más rápida.
En este artículo describimos el montaje de dos inyectores de señales extremadamente simples que, utilizando como máximo dos transistores, pueden ser montados de forma suficientemente compacta para ser totalmente portátiles y con un mínimo de gasto permitirán la obtención de todos los recursos de reparación que este tipo de el equipo puede ofrecer.
Por su simplicidad, compacidad y bajo costo, nuestros inyectores de señales pueden significar:
a) obtención de una útil herramienta de reparación completamente portátil;
b) aprendizaje o perfeccionamiento de una técnica de localización de defectos en equipos con los que pocos técnicos están realmente familiarizados;
c) perfeccionamiento de sus técnicas de montaje de equipos miniaturizados (circuitos impresos y transistores) si el lector no la tiene suficientemente desarrollada.
Como no se trata de circuitos críticos, ya que todos operan en la banda de audiofrecuencias, con armónicos extendiéndose hacia mucho más allá, no habrá problema si se utilizan otras técnicas de montaje que no la sugerida en el artículo.
CÓMO FUNCIONA UN INYECTOR
Un inyector de señales no es más que un oscilador de audio que hace las veces de una fuente de programa para un equipo, pudiendo ser conectado a varios de sus pasos para verificación de su funcionamiento. (fig. 1).
En un amplificador. de audio, por ejemplo, el inyector puede ser usado en la entrada haciendo las veces de un tocadiscos, sintonizador, etc., debiendo, por lo tanto, que su señal aparece amplificada en la salida. En resumen, el inyector de señales genera un tono continuo que debe ser debidamente trabajado por el equipo en prueba, apareciendo de forma audible en el altavoz.
Si su reproducción no se produce o se produce de forma diferente a la esperada, podemos sospechar de fallas en el equipo. Una técnica, de aplicación de esas señales en diferentes puntos del circuito permite que se encuentre con bastante facilidad la etapa deficiente, aislándola de las demás, simplemente por la forma como la señal inyectada es reproducida o si deja de ser reproducida.
Por supuesto, este tipo de prueba se aplica principalmente a pasos de audio de amplificadores, mezcladores, receptores, preamplificadores, etc., siendo sólo en casos en que existan armónicos de frecuencias suficientemente elevadas que su uso puede extenderse a etapas de Fl y RF, lo que no es normal.
EL PRIMER CIRCUITO
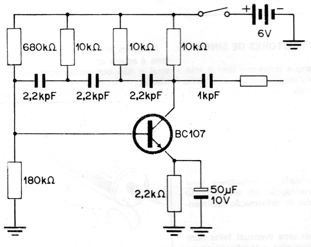
El primer circuito consiste en un multivibrador asequible utilizando transistores de uso general del tipo NPN. En un multivibrador asequible o inestable como éste, el transistor Q1 sólo puede conducir plenamente cuando Q2 está en su estado de no conducción y, igualmente, Q2 sólo puede conducir cuando Q1 está en su estado de no conducción. En suma, en un multivibrador de dos transistores, sólo podemos, en cada instante, encontrar uno de los transistores que conduce.
En el multivibrador astable o inestable, el transistor que inicialmente conduce no puede permanecer indefinidamente en esas condiciones, cambiando de estado constantemente con el otro transistor a una velocidad que dependerá de la constante de tiempo del circuito RC que polariza su base. Se obtiene así una forma de onda rectangular en el colector de cualquiera de los transistores, una señal que puede ser perfectamente usado para la inyección en equipos deficientes.
Los componentes de este primer circuito se calculan de manera que se obtiene una frecuencia de aproximadamente 1000 Hertz, pero el lector si quiere, mediante cambio de los capacitores podrá obtener señales de otras frecuencias. Los efectos equivalentes se obtienen mediante la modificación de las resistencias R1 y R2, pero no se recomienda el uso de esta característica para la variación de frecuencia, a no ser dentro de un 20% de los valores recomendados en el diagrama. Para obtener frecuencias más bajas se deben aumentar las capacitancias.
Es importante observar que la técnica de producción de señales por conducción y no conducción de transistores independientes, permite el control del tiempo de duración de los semiciclos y de los intervalos, o sea, permite la obtención de ondas asimétricas. En este circuito adoptamos transistores de silicio para uso general del tipo BC107, pero unidades de características próximas o equivalentes podrán ser empleadas. En particular, recomendamos los tipos BC107, BC108 o BC109 y sus equivalentes plásticos: BC237, BC238, BC239 Lock-fit: BC147, BC148, BC149 - SOT-54: BC547, BC548, BC549, BC549
Con respecto a los capacitores, el lector podrá usar los de cerámica o de poliéster, eligiendo las dimensiones de acuerdo con el grado de miniaturización que desee. Los resistores son de 1/8 W. (Fig. 2).
La fuente de alimentación se compone de dos pilas pequeñas (AA) conectadas en serie. No es necesario el uso de soportes ya que el consumo del inyector es tan bajo que su tiempo de duración será bastante largo para permitir su soldadura directamente al circuito.
Como interruptor se puede utilizar un jack de auriculares, miniatura. La colocación del macho conectará el circuito y su retirada lo apagará. Sin embargo, las llaves miniatura se pueden encontrar perfectamente para este propósito. El conjunto se puede alojar en un tubo plástico del tipo usado para remedios, siendo la punta de prueba y el hilo de la garra de tierra fijados a partir de su base.
EL SEGUNDO CIRCUITO
El segundo circuito consiste en un oscilador de desplazamiento o rotación de fase con sólo un transistor. En este oscilador, la señal extraída del colector del transistor tiene su fase alterada de 180º apareciendo, por lo tanto, invertida en la base del mismo transistor.
Como en el funcionamiento en la configuración de emisor común hay una inversión de fase de la señal de. salida en relación a la señal de entrada, esta nueva inversión significa una retroalimentación positiva que es responsable de la producción y el mantenimiento de las oscilaciones. La frecuencia de funcionamiento de este circuito es justamente dada por la constante de tiempo del circuito de realimentación.
Su alteración, como en el caso del circuito anterior, puede ser hecha modificando los valores de los capacitores de esa red de realimentación y, de la misma manera, su aumento de valor implicará en una bajada y su disminución en un aumento de la frecuencia de operación. (Fig. 3).
El transistor usado puede ser del mismo tipo que los recomendados en el caso anterior, con sus equivalentes plásticos, lock-fit y SOT-54. La fuente de alimentación también debe estar formada por pilas comunes, conectadas en serie para proporcionar una tensión de al menos 6 Voltios.
La técnica de montaje recomendada es la misma del caso anterior: placa de hilatura impresa alojada en tubo plástico.
EL USO DE LOS INYECTORES DE SEÑALES
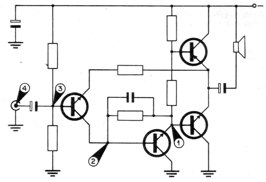
Supongamos que queremos usar el inyector de señales en la localización de un fallo en un amplificador como el de la figura 4.
En este amplificador, la señal de audio que se aplica a la entrada excita diferentes etapas en secuencia hasta que aparezca en la salida con una potencia mucho mayor. La señal de audio debe, pues, pasar de etapa a etapa sufriendo modificaciones de intensidad, pero no de forma de onda. Si hay alguna anormalidad en el circuito, la señal sufrirá una interrupción en su recorrido o alguna forma de deformación fácilmente perceptible.
Para descubrir un eventual fallo en un amplificador de ese tipo y localizar la etapa deficiente, lo que tenemos que hacer es inyectar la señal en la entrada de cada paso sucesivamente a partir de la última, hacia la entrada (en el sentido contrario al recorrido por la señal), hasta se obtendrá una interrupción de la señal o alguna deformación perceptible. Podemos entonces decir que la etapa deficiente es aquella en cuya entrada aplicamos la señal y no obtuvimos reproducción conveniente.
A partir del punto 1, vamos gradualmente retrocediendo en las etapas, aplicando la señal en los puntos 2, 3, etc., hasta que en determinado instante sea notada distorsión o desaparición de la señal. La falta estará en este paso. 2







