Este artículo es de un libro de 1986, época en que sólo había televisores analógicos con cinescopios. Así, los siguientes procedimientos de datos sólo son válidos para este tipo de aparato. Son importantes si el lector pretende recuperar un viejo televisor de este tipo, para usarlo con viejas videocintas o cámaras de la época.
Para la reparación de aparatos de TV, tanto en blanco y negro como en color, además de una buena preparación que puede ser gradual, el lector que pretende convertirse en técnico necesita un equipo mínimo de prueba, que en la medida de lo posible debe ser ampliado para tener una mayor eficiencia.
Este equipo puede ser inicialmente un buen multímetro con una sensibilidad de al menos 20 000 ohms por volt DC y escalas de tensiones continuas hasta 1000 volts o más. Posteriormente el lector puede adquirir un buen generador de barras o convergencia, un generador de RF, culminando con el osciloscopio que es el equipamiento más útil (y también más caro) que el buen técnico tendrá en el taller. (figura 1)
El uso de un osciloscopio en la televisión de reparación no es simple exigiendo normalmente mucha práctica y estudio, pero con el tiempo todos los lectores que pretenden profesionalizarse llegan allí. La reparación de TV hoy en día es muy diferente de lo que ocurría hace algunos años cuando todos los televisores eran valvulados.
Hoy los televisores en su mayoría son transistorizados y emplean incluso muchos circuitos integrados no habiendo pues un procedimiento general para la reparación. Entonces hacemos el siguiente tipo de distinción entre los televisores que el lector puede tener que reparar:
a) Televisores antiguos valvulados: en este, cada función es básicamente ejercida por una válvula que normalmente es el centro del problema que el aparato presenta. Una vez identificado el defecto, el simple cambio de la válvula es medio camino para la reparación. En estos televisores, la reparación es, por lo tanto, muy simple bastando que el técnico tenga un buen stock de válvulas nuevas de tipos más comunes y, además, un probador.
b) Televisores modernos con transistores y circuitos integrados en las configuraciones básicas o etapas difieren de modelo para modelo, lo que exige del técnico un análisis del esquema antes de intentar la reparación. Para cada tipo de televisor, los componentes que pueden presentar problemas con un mismo síntoma son diferentes. Por lo tanto, no hay un procedimiento general, ya que cada televisor es un problema diferente.
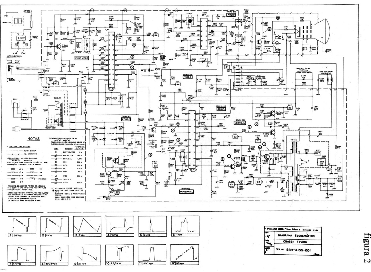
Teniendo en cuenta este hecho en relación a los televisores modernos, para facilitar el aprendizaje de los primeros pasos, damos algunos defectos comunes que se toman como ejemplo en un televisor de determinada marca y modelo. Elegimos los modelos que llevan el chasis TV 396 de Philco, y que se pueden encontrar con relativa facilidad en nuestro país.
En la figura 2 tenemos el diagrama esquemático del aparato estudiado.
En la figura 3 tenemos el aspecto del chasis con la identificación de los principales componentes.
No enfocar en este trabajo todos los defectos posibles, pues hay muchos que son imprevisibles. No queremos decir que los defectos focalizados sean inherentes a cualquier tipo de fallo de diseño del televisor, ya que se trata de un receptor de TV de calidad comprobada. Lo que ocurre que un televisor falla es imprevisible, pudiendo básicamente debido a:
- Sobrecargas por variaciones de la tensión de la red
- Envejecimiento natural de determinados componentes
- Absorción de humedad o óxido
- Manejo descuidado del aparato
- Funcionamiento en lugar inapropiado
- Descargas eléctricas o transitorias que se propagan por el cable de antena o por la propia red. (continúa en Defectos en Televisores Antiguos II (SER138S))






