Las grabadoras y pequeños amplificadores necesitan etapas de preamplificación para poder trabajar con fuentes de señales débiles como, por ejemplo, cápsulas de audio, cabezas grabadoras y micrófonos dinámicos.
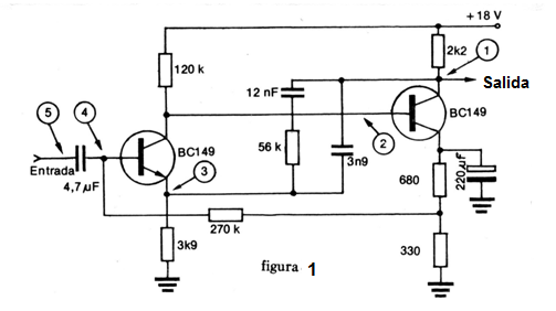
Un circuito típico de paso preamplificador se muestra en la figura 1.

Los transistores usados se caracterizan por el bajo nivel de ruido, siendo común los BC109, BC239 o BC549 que, además, presentan altas ganancias.
En caso de pane en un circuito de este tipo, inyectamos las señales en los puntos indicados y en el orden indicado, es decir, de la salida a la entrada.
Como la etapa debe tener alta ganancia, la reproducción de la señal inyectada debe ser siempre alta y clara. Si hay interrupción de la señal debemos hacer la prueba de los componentes inmediatamente conectados a los componentes activos probados, o sea, los transistores.



