¿Cómo encontrar problemas en aparatos montados, o incluso comprados, que no funcionan o dejan de funcionar? Los procedimientos básicos para obtener éxito en la identificación de defectos no son complicados y pueden significar mucho para el profesional o aficionado. En este artículo daremos algunas nociones básicas para que el lector, que aún es principiante, sepa cómo encontrar defectos en aparatos que no funcionan o funcionan de modo deficiente.
¿Qué hacer cuando un aparato no funciona? La mayoría de los lectores, que no tienen experiencia en electrónica, están totalmente desorientados cuando un montaje no funciona del modo esperado.
Muchos nos escriben, preguntando qué hacer, pero ni siquiera se dan al trabajo de explicar lo que realmente está pasando, dándonos "una pista" para que podamos ayudar.
Cuando cae en las manos de esos mismos lectores algún aparato comercial que no funcione, de uso propio o traído por algún amigo, el problema es el mismo: no saben cómo empezar en la búsqueda del origen de la anormalidad.
Evidentemente, no se pueden encontrar defectos por adivinación. Algunos pueden tener la suerte de encontrar la anormalidad cuando se debe a algún componente suelto, un hilo desoldado o aún cuando se hace evidente que alguna pieza se encuentra quemada por su aspecto.
La búsqueda de defectos en aparatos electrónicos que no funcionan, sin embargo, es un arte que debe ser cultivado no sólo por los que pretenden profesionalizarse como por los practicantes aficionados que pueden tener problemas con sus montajes o incluso con los aparatos comerciales de uso propio.
Algunos procedimientos simples pueden facilitar enormemente el trabajo de encontrar un componente o varios componentes con problemas, por eliminación, descartando en algunas etapas más del 90% de un aparato. La realización de simples pruebas complementarias permite llegar a los causantes de los defectos. Analizamos los procedimientos básicos.
Para proyectos montados
Los procedimientos que veremos inicialmente son para los proyectos que el lector monta, y no para aparatos comerciales que serán vistos posteriormente.
Ver el montaje
Si, al encender el aparato, no funciona bien, tiene algún componente que se calienta demasiado, o aún ocurren señales de anormalidades como sonidos distorsionados, ruidos u otros, es señal de que algo está equivocado.
- Desconecte inmediatamente la alimentación del aparato para no agravar el problema o hay peligro de que los componentes se dañen.
- Compruebe las soldaduras y pistas de la placa verificando si no hay ningún componente suelto o aún alguna pista en la placa de circuito impreso interrumpida o en corto, lo que puede ocurrir durante el proceso de su elaboración.
- Compruebe inicialmente los valores de los componentes usados en el montaje, usando para este propósito el diagrama del aparato. Se debe prestar especial atención a las resistencias, capacitores cerámicos y transistores.
Como muestra la figura 1, es fácil confundir un capacitor de 10 nF con uno de 10 pF en un montaje.

Hasta el dibujante se confundió. El "k" del primer capacitor es minúsculo.
Si este capacitor está en un circuito de retroalimentación o en un oscilador de alta frecuencia, o en un pequeño transmisor, como se muestra en la figura 2, no funcionará.
Un transistor cambiado tiene los mismos efectos, con el agravante de que puede ocurrir su quema cuando el aparato se enciende. Utilizar un BC558 en lugar de un BC548, una confusión común.
Compruebe las posiciones y polaridades de los componentes más críticos.
Uno de los errores más comunes de montajes de aparatos electrónicos y la inversión de transistores y de diodos (LED, diodos comunes o zeners).
Es común en muchos proyectos que se indican como transistores de potencia los tipos TlP31 o BD135. Ellos poseen disposiciones de terminales diferentes, como se muestra parece 3.

La conexión invertida de uno u otro, por lo tanto algo muy fácil de ocurrir y que afecta el funcionamiento del aparato.
- Compruebe las conexiones externas, principalmente la polaridad de la fuente de alimentación.
- Compruebe el montaje de la placa de circuito impreso y la disposición de los componentes a partir del diagrama.
Es común que esta tarea sea hecha a partir del diseño de la propia placa que es suministrada por un artículo, o aún un kit. Sin embargo, pueden producirse errores en este dibujo. Por lo tanto, siempre es bueno que la tarjeta se vea antes del montaje, cuando es posible hacer correcciones con más facilidad.
Medición de tensiones
Una vez que ningún problema ha sido localizado con los procedimientos anteriores, siempre y cuando no haya ningún componente con una señal de sobrecalentamiento cuando el aparato se enciende, lo hacemos encendiéndolo. Si hay algún componente con problema de sobrecalentamiento, debemos retirarlo para pruebas externas posteriores.
Las pruebas siguientes se deben realizar con un multímetro en una escapada apropiada de tensiones, es decir, en una escala que permita leer las tensiones que esperamos encontrar en el aparato que va a ser analizado.
- El primer punto de medida, con el aparato conectado y la salida de la fuente de alimentación.
Si el aparato no tiene señales de calentamiento y la tensión es anormalmente baja o no hay tensión, debemos analizar la fuente. En la figura 4 se muestra cómo se debe utilizar el multímetro para medir la tensión en la salida de una fuente de alimentación.
En la secuencia, paso por paso del aparato, vamos a verificar si existen tensiones de alimentación y en los puntos en que se conozcan.
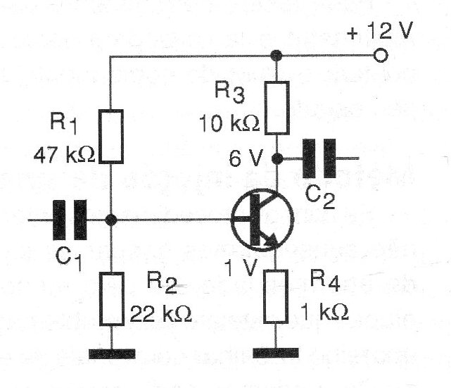
Para un circuito transistorizado, por ejemplo, sabemos que las tensiones de base deben ser 0,6 V mayores que las de emisor en un transistor NPN y 0,6 volts menores en un transistor PNP, como muestra la figura 5.
Si no tenemos tensiones en las etapas o en los componentes de la forma esperada, es señal que existe alguna anormalidad en el paso analizado.
Para los aparatos que utilizan circuitos integrados, podemos de inmediato identificar los pines de alimentación y medir las tensiones.
Para los demás pines, es necesario tener informaciones de cuáles son las tensiones que hay que encontrar.
Prueba de componentes sospechosos
Si hay algún componente que se calienta demasiado, o aún si encontramos puntos del aparato con tensiones anormales debemos pasar a las pruebas de los componentes propiamente dichos o de los componentes próximos.
Recuerde que si un transistor se calienta, la causa puede ser un capacitor cercano en corto, un diodo invertido u otro componente que no manifieste de la misma forma la anormalidad.
Las pruebas de los componentes son muchas, y ya se han abordado en otras publicaciones como el Cómo probar componentes (4 volúmenes) a la venta en el sitio.
Estas pruebas normalmente utilizan el multímetro y tanto pueden servir para comprobar el valor del componente como su estado.
Método de la inyección de señales
Si con los procedimientos anteriores no logramos llegar a las causas de la anormalidad, o al menos a las etapas que tienen problemas, y el aparato trabaja con señales de audio o RF, podemos partir al método de la inyección de señales. Si tenemos un circuito amplificador de audio como se muestra en la figura 6, partimos de la idea de que, inyectándose señales de la salida hacia la entrada, la señal se reproducirá hasta el punto en que encontremos la anormalidad.
De este modo, inyectamos la señal en la secuencia de puntos mostrados en la figura que corresponden al recorrido de la señal con que el aparato normalmente trabaja.
En el momento en que la señal deja de ser reproducida en la salida, habremos llegado al punto del circuito que presenta anormalidad.
Vea que, a medida que vamos inyectando la señal de salida hacia la entrada, la señal reproducida debe ir cada vez más fuerte.
Este mismo procedimiento es válido para aparatos de receptores de radio (AM y FM), ya que los inyectores también pueden inyectar señales de alta frecuencia.
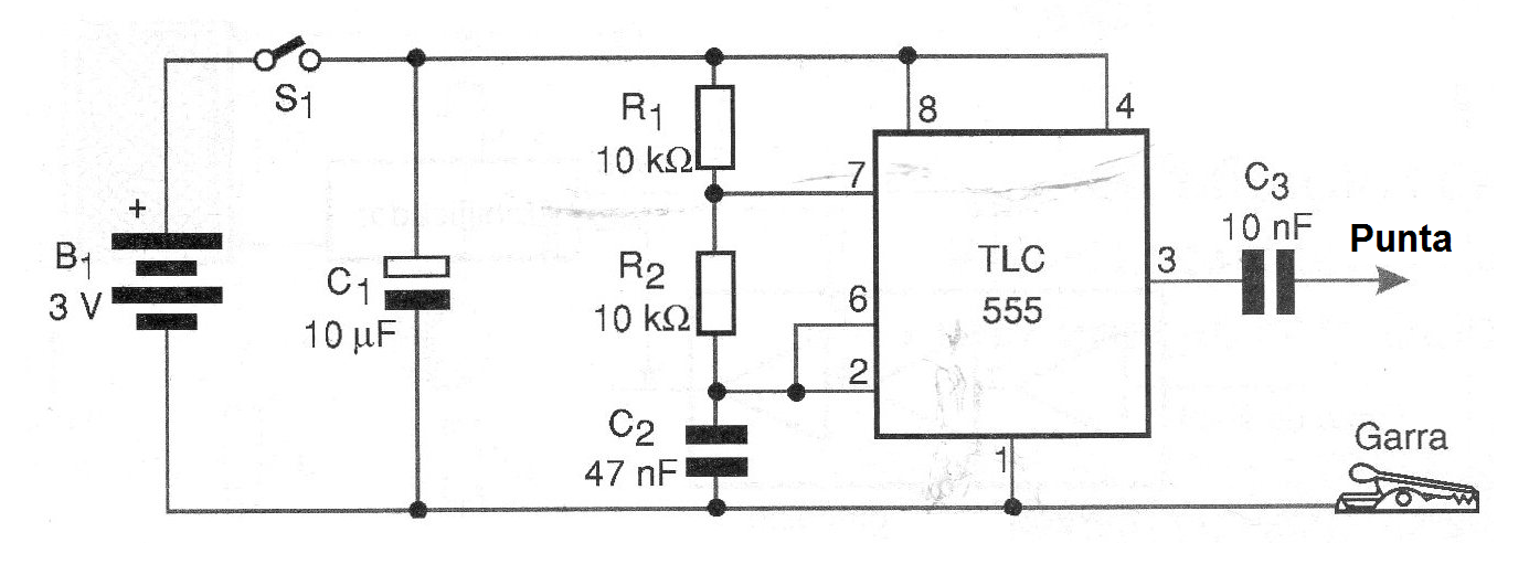
En la figura 7 tenemos el diagrama de un inyector de señales simple que el lector puede montar.
Método de la simulación
Este método puede ser usado en aparatos que tienen muchos pasos y requiere que el lector tenga equipo disponible, como un amplificador, fuente, etc.
Por ejemplo, si el reproductor ha montado un amplificador y comprueba que no funciona (no hay señal de salida), puede utilizar un amplificador común para probar si los pasos anteriores al paso final de potencia están bien.
Para ello, el amplificador común puede ser utilizado para verificar si la señal llega hasta el paso de salida, vea la figura 8.
Este procedimiento permite comprobar si el defecto está en el paso de salida o en los pasos anteriores.
En un circuito de mecatrónica podemos hacer simulaciones con controles externos o intercambiando motores.
Método de la conexión paralela de componentes
Un problema común en los amplificadores es la apertura de los capacitores de acoplamiento y desacoplamiento, como se indica en la figura 9.
Podemos hacer una prueba rápida de estos componentes, si constatamos que la etapa funciona de modo deficiente por los procedimientos anteriores, colocando por un momento otro capacitor en paralelo de mismo valor, observe la figura 10.
Si el aparato vuelve a funcionar normalmente será una señal de que el capacitor en ese punto está abierto. Evidentemente, si el capacitor tiene fugas o está en corto, este procedimiento no funcionará. Sin embargo, con fugas o cortos el capacitor pasa a influir en las tensiones medidas y eso puede ser descubierto en las pruebas anteriores.
Aparatos comerciales
Obviamente, para los aparatos comerciales no será necesario conferir valores de componentes o el montaje, pues, ciertamente, si ha funcionado de fábrica significa que estos puntos son correctos.
A lo sumo, lo que puede ocurrir es la necesidad de comprobarlo, es decir, si el aparato vuelve de un taller, o de las manos de alguien que haya intentado repararlo sin conseguir hacerlo funcionar nuevamente.
Así, para los casos en que el aparato del tipo comercial deja de funcionar, usamos los procedimientos a partir del 2º ítem.
Conclusión
No es difícil llegar a los principales problemas de un aparato que no funciona. Sin embargo, es necesario tener en cuenta el principio de funcionamiento de este aparato, estar en posesión de su diagrama y tener instrumentos apropiados, como el multímetro y el inyector de señales.
Evidentemente, lo que hemos visto es sólo una parte de los procedimientos posibles.
Hay casos en que es necesario disponer de instrumentos apropiados (no siempre baratos) para identificar las causas de mal funcionamiento que pueden deberse a ajustes imperfectos.
Así, en aparatos muy delicados como videocasetes, aparatos de fax, teléfonos inalámbricos, los procedimientos que indicamos sirven sólo para el caso de componentes comunes son la causa de los defectos. Si el problema es de ajustes, o aún en componentes más críticos, los procedimientos requerir equipos que no siempre están al alcance del técnico común.
En realidad, en muchos equipos de consumo las técnicas de montaje usando componentes denominados SMD (Surface Mounting Devices) hacen difícil el cambio de alguno en caso de quema. En estos casos, puede salir más barato cambiar la propia placa y, dependiendo del tipo de equipo, comprar uno nuevo.











