Ya hablamos del inyector de señales y vimos que esta útil herramienta puede ayudar en la localización de fallas de los equipos transistorizados.
En el caso específico de las etapas que analizamos, es decir, salida de audio, excitación o controlador y control de volumen, el uso del inyector es de gran utilidad.
Este instrumento se utilizará de la siguiente manera: Si un aparato cualquiera (radio, grabadora, etc.) no presenta sonido en su salida o si está distorsionado, debemos aplicar las señales en las entradas y salidas de cada paso del altavoz hacia el interior control de volumen.
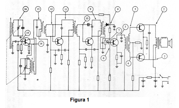
Tomando como ejemplo el circuito de la figura 1, procedemos de la siguiente forma:

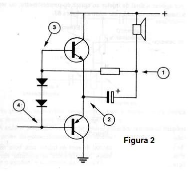
Comenzamos inyectando la señal en el primario del transformador de salida (si existe) o bien en el capacitor de acoplamiento al altavoz si la salida es en simetría complementaria, como muestra la figura 2.

Debe haber la reproducción de la señal a un nivel muy bajo, pues la intensidad del inyector es pequeña y no tenemos entre él y el altavoz ninguna ampliación. La señal, sin embargo, debe aparecer sin distorsión. La ausencia de señal indica que el capacitor o el transformador se encuentran abiertos.
Si hay reproducción pasamos a las bases de los transistores de salida.
La reproducción de la señal debe ser clara y con mayor intensidad. Si en la base de un transistor tenemos la señal y la del otro no, o con distorsión, entonces probablemente uno de los transistores se encuentra defectuoso.
Pasamos después al colector del transistor excitador en los aparatos con transformador. Debe haber la reproducción normal, pero no con mucho volumen. Si no hay reproducción, pruebe el transformador, verificando su continuidad.
En los circuitos sin transformador- pasamos ahora a la base del transistor conductor. Debe haber la reproducción de la señal ya con mayor volumen en el altavoz. El mismo ocurrirá si aplicamos en la base del transistor conductor de los circuitos con transformador.
El siguiente paso consiste en el análisis del control de volumen. Comenzamos aplicando la señal del inyector al cursor del potenciómetro, es decir, a su terminal central, como se muestra en la figura 3.

Si hay una reproducción normal del sonido del inyector con buen volumen, entonces sabemos que todo el paso amplificador se encuentra en buenas condiciones.
Después, como muestra la misma figura, aplicamos la señal en el extremo superior del potenciómetro. Si hay un problema de falla, o con un ligero movimiento en el cursor, verificamos que el volumen varía y se producen ruidos, entonces habremos encontrado el problema: el potenciómetro.
Si no sucede nada, aplicamos la señal en el capacitor de entrada, que eventualmente puede estar abierto.
Este artículo forma parte de un libro que el lector puede bajar gratuitamente en este sitio (El Básico de la Reparación). En esta sección los artículos se separan por tipos de defectos.
Los defectos abordados se refieren a los circuitos transistorizados de radios, amplificadores más comunes, habiendo pequeñas variaciones de modelos para modelos. En el principio de funcionamiento, sin embargo, todos los circuitos son similares cuando se analizan.



