Tocadiscos y tocacintas tienen pequeños motores que son alimentados por tensiones situadas normalmente entre 3 y 12 V. Estos motores se alimentan por corriente continua, de modo que su velocidad se determina más por sus características mecánicas que por el tipo de alimentación que reciben, a diferencia de los motores usados en la red eléctrica, que se sincronizan por su frecuencia.
Así, los pequeños motores usados en tocadiscos y tocadiscos tienden a presentar problemas de alteración de rotación, que se manifestar directamente en el sonido grabado o reproducido.
Una reducción de la velocidad toma el sonido increíble o grave, mientras que un aumento hace que el sonido más agudo (cambie la rotación de los tocadiscos y vea lo que ocurre!).
Si un tocadiscos o tocadiscos presentan este tipo de problema (cambio de rotación), debemos comenzar el análisis por la parte mecánica.
Para tocadiscos y tocadiscos comunes debemos analizar el sistema de transmisión de movimiento, que puede ser por polea, correa o aún por contacto. En la figura 1 mostramos las tres posibilidades indicadas.

Si la polea se gasta y empieza a patinar, tendremos un cambio de velocidad del motor que puede influir en el sonido reproducido o grabado. De la misma manera, algunos grabadores usan pequeñas roldanas de espuma que pueden deteriorarse completamente, principalmente cuando están expuestas a un clima adverso.
En estos casos no existe otra alternativa que el cambio de estas piezas.
En la colocación de la pieza nueva es muy importante mantener la presión o la tensión mecánica para que el movimiento sea transmitido a la velocidad original.
Pero, no es sólo la parte mecánica que puede fallar.
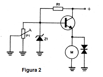
Los motores, en ciertos casos, tienen su velocidad controlada electrónicamente por un circuito del tipo mostrado en la figura 2.

En estos circuitos existe un trimpot que hace el ajuste de la velocidad ideal de rotación del plato del tocadiscos o de la cinta. Si se produce algún problema con el circuito, el trimpot no dará ajuste. Los componentes de esta etapa de control deben ser entonces analizados.
Conectando la entrada del seguidor en las etapas sucesivas del aparato, debemos constatar la presencia de la señal en el auricular.
Este artículo forma parte de un libro que el lector puede bajar gratuitamente en este sitio (El Básico de la Reparación). En esta sección los artículos se separan por tipos de defectos.
Los defectos abordados se refieren a los circuitos transistorizados de radios, amplificadores más comunes, habiendo pequeñas variaciones de modelos para modelos. En el principio de funcionamiento, sin embargo, todos los circuitos son similares cuando se analizan.



