A continuación, daremos una serie de síntomas y causas, de defectos para radios transistorizados antiguos. Esta relación prevé los tipos de radios más comunes de una o más pistas, tanto para AM como FM.
Nota: Este artículo forma parte de un libro que publicamos en 1985 tratando de principios básicos de reparación de aparatos portátiles y de pequeño tamaño de la época como radios, grabadores, etc. Muchos de los conceptos presentados todavía son válidos con algunos aparatos modernos. El artículo es interesante para quien desea prender y reparar aparatos antiguos (e incluso algunos más modernos). Estos conceptos se abordan en otros artículos de este sitio y en libros del autor.
Pasos de entrada
Síntoma 1: Pequeña sensibilidad en el extremo de las bajas frecuencias.
Causas: Transistores mezclador o aún convertidor con mal funcionamiento, debiendo efectuarse una verificación; desajuste de la bobina osciladora.
Síntoma 2: Pequeña sensibilidad en el extremo superior de la banda.
Causas: De nuevo se debe comprobar el transistor mezclador o el transistor convertidor; el núcleo de la ferrita de la bobina de antena puede estar partido o trincado; haga una comprobación en el ajuste del circuito sintonizado de antena junto a la variable (trimmer de antena).
Síntoma 3: No hay captación de señales en el extremo superior de la banda.
Causas: Los capacitores de emisor de los transistores de la etapa mezcladora deben ser verificados, pues pueden estar abiertos; el transistor del oscilador local o del convertidor puede tener problemas; compruebe el ajuste del circuito sintonizado de antena; verifique la alineación de las etapas de Fl: finalmente, haga una verificación en el capacitor variable, que puede estar con las placas cortocircuitadas por estar amasadas.
Síntoma 4: Se captura sólo una estación en toda la banda de sintonía.
Causas: El oscilador o la etapa convertidora son inoperantes, debiendo verificarse el transistor; las etapas de FI pueden estar completamente desajustadas.
Síntoma 5: No hay captura de ninguna estación en el extremo inferior de la pista.
Causas: La bobina osciladora puede estar desajustada; vea también si las placas del capacitor variable están dobladas y en corto.
Síntoma 6: Hay ruido en todas las estaciones que se capturan.
Causas: Suciedad en las placas del capacitor variable si es del tipo abierto; los contactos de las placas (placas móviles) de la variable pueden estar en problemas; vea también si el transistor del convertidor o del mezclador se encuentra en buenas condiciones.
Síntoma 7: No hay funcionamiento alguno (mudo).
Causas: Verifique todos los capacitores de desacoplamiento, que pueden estar en cortocircuito; vea también el estado del transistor mezclador o convertidor; "la bobina osciladora puede estar abierta; (en el caso de que se produzca un error en el sistema). si la bobina de antena tiene un enrollamiento primario, éste debe ser comprobado, ya que puede estar abierto.
Síntoma 8: Apitos en el cambio de estaciones (heterodinaje).
Causas: La bobina de antena puede estar abierta; vea también si el núcleo de la bobina de antena no está roto.
Pasos de FI
Síntoma 1: Señal débil en todas las estaciones.
Causas: Verifique los capacitores de desacoplamiento de emisor de los transistores, que pueden estar abiertos; vea también el ajuste de los transformadores de FI; ver si el transistor está en buenas condiciones; ver si no hay tensión excesiva en el CAG.
Síntoma 2: No hay señal en la salida de los pasos.
Causas: Consulte si los enrollamientos de los transformadores de FI no están abiertos; compruebe los capacitores de desacoplamiento, que pueden estar en corto; haga una prueba de los propios transistores.
Síntoma 3: Distorsión con señales fuertes.
Causas: Verifique la tensión en el CAG, que puede estar ausente o débil; vea la tensión de los colectores de los transistores; ver el estado de los propios transistores; y los valores de los resistores de polarización de base.
Síntoma 4: Ruidos.
Causas: Compruebe los transistores; ver si no hay corrosión en los devanados de los transformadores de F I.
Síntoma 5: Oscilaciones (pitos).
Causas: Vea si los capacitores de neutralización están en buenas condiciones; vea los demás capacitores de estas etapas.
Detector con diodo
Síntoma 1: La señal débil.
Causas: Verifique los capacitores de desacoplamiento de RF; vea el ajuste del transformador de FI inmediatamente anterior; que es la prueba del diodo, que puede estar con problemas.
Síntoma 2: Tensión de CAG nula.
Causas: Compruebe el diodo.
Síntoma 3: Distorsión con señales fuertes.
Causas: Vea el capacitor de desacoplamiento de RF; vea también los capacitores de filtro del CAG y finalmente haga una prueba del propio diodo.
Detector con transistores
Síntoma 1: La señal débil.
Causas: Verifique los capacitores de desacoplamiento de RF; vea el ajuste del transformador de FI; vea el estado del transistor.
Síntoma 2: Tensión de CAG nula.
Causas: Transistores con problemas. Debe probarse.
Síntoma 3: Distorsión.
Causas: El capacitor de acoplamiento puede estar en cortocircuito; el transistor puede estar mal.
Síntoma 4: Distorsión.
Causas: El capacitor de desacoplamiento de emisor puede estar en cortocircuito; los resistores de polarización de base pueden estar con valores alterados; (el transistor puede estar mal.
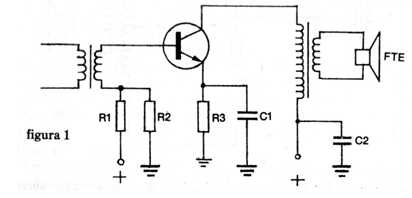
Paso de salida (clase A)
El paso de salida clase A utiliza sólo un transistor en la configuración mostrada en la figura 1.

Síntoma 1: No hay señal de salida.
Causas: Altavoz defectuoso; bobinas del transformador abiertas; capacitores de desacoplamiento de AF con defecto (abiertos o en corto); control de volumen con problemas; contactos abiertos del jack de salida de auriculares.
Síntoma 2: Distorsión.
Causas: Altavoz defectuoso con la bobina raspando o con el cono rasgado; capacitores de desacoplamiento de emisor defectuosos; aumento del valor del resistor de emisor; transistores con problemas.
Síntoma 3: Señal de baja intensidad en la salida (pequeño volumen).
Causas: Altavoz o transistor defectuoso.
Síntoma 4: "Mótorboating" o oscilaciones.
Causas: Capacitor de filtro de la fuente abierta; capacitor de desacoplamiento de colector abierto.
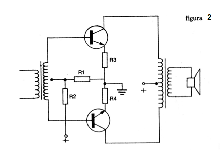
Paso de salida (clase B)
El paso de salida clase B o push-pull lleva dos transistores del mismo tipo (par casado) y tiene la configuración mostrada en la figura 2.

Síntoma 1: No hay señal de salida.
Causas: Altavoz defectuoso; bobinas del transformador abiertas tanto en el transformador de excitación como de salida; capacitores de desacoplamiento de audio en corto; problemas de contacto en el jack del auricular; transistores de salida con problemas.
Síntoma 2: Distorsión.
Causas: Altavoz defectuoso; espiras del enrollamiento del transformador en corto; cambios en los valores de las resistencias de polarización; transistores con problemas.
Síntoma 3: "Motorboating" o oscilaciones.
Causas: Capacitor de filtro de la fuente de alimentación o del colector abierto; cambio de valor del resistor de retroalimentación.



