El pequeño transmisor que describimos puede enviar sus señales a cualquier radio que tenga la banda de onda corta de 3 a 7 MHz y tiene un alcance que dependerá tanto de la antena usada como de la sensibilidad del propio receptor. Con una buena antena y un receptor sensible el alcance será de algunas decenas de metros.
En una feria de ciencias o demostración podemos usar este pequeño aparato para mostrar cómo funcionan las radios transmisoras usadas en los diversos tipos de servicios de telecomunicaciones e incluso simular el funcionamiento de una estación de radio o teléfono celular. La señal enviada es modulada por un micrófono de cerámica de alta impedancia y su alimentación viene de 4 pilas pequeñas. Con el uso de un transistor BD135 y aumentando la alimentación a 12 voltios podemos obtener mayor alcance, reduciendo también R1 a 4,7 k ohms.
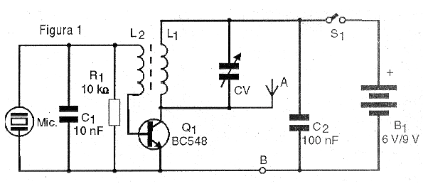
COMO FUNCIONA
El transmisor no es más que un oscilador Armstrong de bloqueo donde la frecuencia es determinada por L1 y el capacitor en paralelo. Para mantener las oscilaciones tenemos la bobina L2 que envía parte de la señal a la entrada del circuito.
El micrófono envía su señal a la base del transistor para modificar su polarización y así obtener una cierta modulación. Podemos aplicar otros tipos de señales a la base del transistor, pero para ello hay que hacer modificaciones. La denominación de onda corta viene del hecho de que las señales están en un rango de frecuencias entre 3 y 7 MHz que corresponden a una longitud de onda de 100 a 40 metros.
MONTAJE
En la figura 1 tenemos el diagrama completo de este pequeño transmisor de ondas cortas.

La disposición de los componentes en un pequeño puente de terminales se muestra en la figura 2.
El transmisor se puede montar en una pequeña caja plástica con una antena telescópica de 50 a 150 cm. para mayor alcance podemos conectar el punto A a una antena externa y el punto B a una buena tierra. La bobina L1 está formada por 35 espiras de hilo 28 enrolladas en un bastón de ferrita de 1 cm de diámetro y de 10 a 20 cm de longitud. L2 está formada por 10 espiras del mismo hilo enrollado al lado de L1. Los capacitores son todos cerámicos y R1 es de 1/8 W o mayor.
El capacitor CV puede ser cualquier capacitor variable de radios de onda medias o cortas con capacitaciones máximas en el rango de 120 a 300 pF.
El micrófono debe ser obligatoriamente del tipo cerámico o de cristal, pues otros tipos no funcionarán. Una posibilidad interesante consiste en utilizar un tweeter piezoeléctrico del cual el pequeño transformador interno ha sido retirado. De esta manera funciona como un micrófono sensible.
PRUEBA Y USO
Para probar el aparato conecte en las proximidades una radio de ondas cortas fuera de estación y ajuste CV hasta captar la señal del transmisor. Si no lo consigue, invierte los cables de conexión de L2. Capturando la señal más fuerte y hablando delante del micrófono usted puede evaluar la modulación. Para usar será interesante colocar el transmisor en una sala y el receptor en otra mostrando cómo las señales pueden atravesar paredes pues son ondas de radio.
Observamos que en ambientes de alto nivel de ruido, como los que contienen gran cantidad de lámparas fluorescentes, la señal del transmisor puede ser difícil de sintonizar y el alcance se reduce sensiblemente. En este caso, busque otro lugar para hacer las demostraciones. Es interesante hacer pruebas en el lugar antes de las ferias o exposiciones para evitar estos problemas.
QUÉ EXPLICAR
Demuestre que el pequeño circuito montado es en realidad un transmisor de ondas cortas y que sus señales atraviesan objetos sólidos como paredes, por ejemplo. Explique que este transmisor, aunque simple puede ir muy lejos. Usando una antena muy bien dimensionada, bajo condiciones favorables puede alcanzar miles de kilómetros. Existe hasta un club de radioaficionados que opera exclusivamente con transmisores de este tipo y que ya ha logrado contactos con países situados a miles de kilómetros de distancia.
En el caso el alcance no es de los mayores por ser la antena inapropiada y porque no se puede transmitir lejos sin tener la debida licencia para ello.
SUGERENCIAS
Reduciendo el número de espiras podemos operar en frecuencias más altas. Por ejemplo, con 20 espiras podemos operar en el rango de 10 a 15 MHz. Aumentando el número de espiras de L1 a 100 podemos bajar la frecuencia haciendo que el transmisor opere en la banda de ondas medias.
Para la antena externa utilice un pedazo de hilo de hasta 10 metros de largo estirado y sin estar conectado en ningún punto a no ser en el punto A del circuito. Al montar un par de estos transmisores y usando dos receptores se puede mantener contacto entre personas situadas en salas diferentes.
LISTA DE MATERIAL
Semiconductores:
Q1 - BC548 o equivalente - transistores NPN de uso general
Resistores: (1 / 8W, 5%)
R1 - 10 k ohms - marrón, negro, naranja
Capacitores:
C1 - 10 nF (103 o 0,01) - capacitor de cerámica
C2 - 100 nF (104 o 0,1) - capacitor de cerámica
CV - capacitor variable - ver texto
Varios:
MIC - micrófono de cerámica - ver texto
L1, L2 - bobinas - ver texto
A - antena telescópica o cable - ver texto
S1 - Interruptor simple
B1 - 6 o 9 V - pilas o pilas
Puente de terminales, soporte de pilas, caja para montaje, bastón de ferrita, alambre esmaltado, botón para el capacitor variable, hilos, soldadura, etc.




