Un problema que aflige a muchos practicantes de la electrónica es la dificultad para encontrar ciertos valores de los componentes. Otro es el malentendido de cómo en ciertas funciones podemos admitir componentes con una pista muy amplia de valores e incluso diferentes tipos. Vea en este artículo por qué esto ocurre.
¿Qué hacer si para un montaje no tenemos un resistor de 1K disponible?
¿Se utilizaría un 1k2, o incluso uno de 820 ohms que tenemos en nuestra caja de componentes?
La respuesta puede ser importante para el lector que no tiene mucho acceso a los almacenes de componentes en su localidad o no puede esperar para completar un proyecto. La mayoría de los circuitos están diseñados para admitir componentes con una pista de tolerancia que, en algunos casos, incluso pueden pasar del 20%.
Esto significa que, en muchos casos, en ausencia de un componente de cierto valor, especialmente los capacitores, el uso de un valor inmediatamente superior en la serie normal, no causa problemas. Es el caso del resistor 1K2 que se puede utilizar en lugar de un d 1K, o de 33k en lugar de 27k.
El mayor problema es saber cuándo podemos y cuándo no podemos hacer el cambio.
Resistores
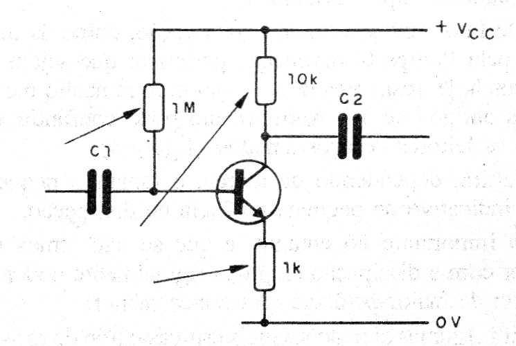
Cuando se utiliza un resistor en la polarización de un transistor, por ejemplo, conectado en su base, emisor y colector, por lo general un pequeño cambio de valores, hasta 20%, no afecta a la operación de una manera sensible.
En un caso, como el de la figura 1, podemos utilizar perfectamente resistores con un 20% de variación de calores, más grandes como pequeñas, sin problemas.
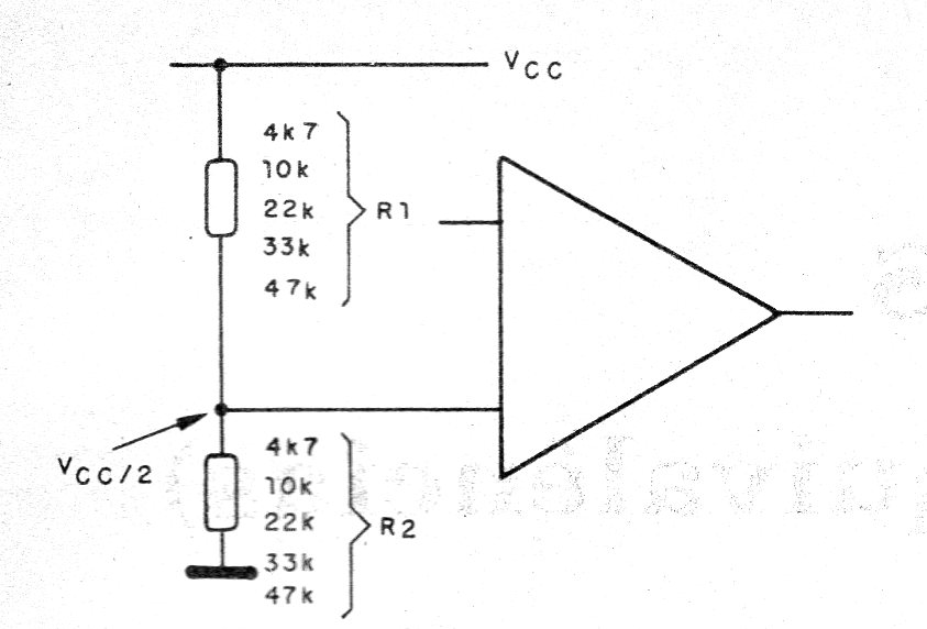
Esto significa que los valores inmediatamente más altos o más bajos de la serie de tolerancia del 10% pueden servir como equivalentes sin muchos problemas. Si el circuito es de un sistema donde se requiere precisión, por ejemplo, en una referencia de tensión para la entrada de un comparador, como en la figura 2, el cambio de la resistor por un valor diferente requiere precaución, pero es posible.

En el circuito indicado vemos que la tensión aplicada a la entrada al comprador es la mitad de la tensión de alimentación, ya que los resistores tienen el mismo valor. Esto significa que, si intercambiamos uno de los resistores por otro valor de la misma serie, podemos desequilibrar el circuito.
Sin embargo, si hacemos el intercambio de los dos resistores, mantendremos la relación entre ellos y con esto la tensión de referencia, no afectando el circuito, como se muestra en la figura 3.
¡Así que el mismo circuito debe funcionar bien con resistores de 10k en lugar de 4K7! En el caso de la disipación de resistores, factor que está conectado a su tamaño, debemos hacer algunas observaciones sobre los tipos modernos.
De hecho, las nuevas técnicas de fabricación permiten obtener componentes más pequeños con mayor capacidad de disipación, como se sugiere en la figura 4.
Dependiendo de la marca, para la misma disipación los resistores pueden tener diferentes tamaños. Lo importante, sin embargo, es que, si no tenemos una resistor con la disipación requerida, podemos utilizar una mayor disipación, siempre y cuando haya espacio para su instalación.
Capacitores
En la mayoría de las aplicaciones, los capacitores son los componentes que admiten la mayor pista de calores. Hay casos en los que podemos utilizar capacitores de hasta 100 veces más grandes que el original, sin afectar el funcionamiento del circuito. Sin duda, el caso que admite la mayor pista de valores en un proyecto es cuando el capacitor se utiliza en el desacoplamiento.
Como se muestra en la figura 5, estos capacitores están conectados en paralelo con fuentes de alimentación, pilas, por ejemplo.
El valor depende solamente de la intensidad de la corriente normalmente requerida por la carga alimentada es una regla típica es utilizar 1 000 uF para cada ampere. Sin embargo, en una fuente donde el indicado es 100 uF, un capacitor de 470 uF, no debe hacer ninguna diferencia en la operación.
En los circuitos de RF es común conectar en paralelo con este capacitor, un capacitor de cerámica de 100 a 470 nF. Esto se debe a que los electrolíticos tienen una cierta inductancia que afecta el desacoplamiento de las señales de RF y las cerámicas no.
El único punto importante para observar en esta aplicación es que la tensión de trabajo del capacitor es mayor que la de la alimentación, como se muestra en la figura 6.
Si se requiere un capacitor de 12 V, utilice cualquiera de 12 V hasta el máximo del triple de la tensión. No utilice uno mucho más grande porque la capacitancia de capacitores electrolíticos varía con la tensión.
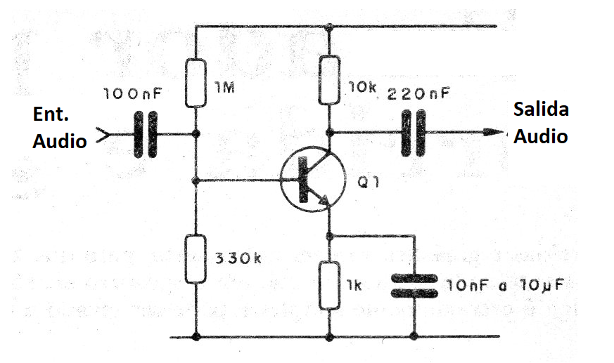
Otra función en la que se admite una amplia gama de valores para capacitores electrolíticos, dependiendo del circuito, es el desacoplamiento de emisores, fuentes o cátodos de válvulas, como se muestra en la figura 7.
En estos circuitos, el capacitor tiene como objetivo dar una ruta fácil a la señal que se amplifica. Su valor dependerá del tipo de señal que se va a amplificar. Para señales de RF normalmente se utilizan capacitores cerámicos entre 1 y 100 nF.
En una aplicación en la que no tenemos el valor original, siempre es posible utilizar un valor ligeramente mayor, sin problemas de funcionamiento. Para las señales de audio, los valores están comprendidos entre 100 nF y 100 uF, y se pueden encontrar ambos tipos despolarizados y electrolíticos.
En esta aplicación, el valor del capacitor muy diferente sólo puede afectar a la respuesta de audio. Los capacitores más grandes dejan ir más serio, como se muestra en el circuito de la figura 8.
La aplicación final en la que encontramos capacitores que admiten valores en una pista muy grande está en el acoplamiento entre las etapas de un circuito.
Los valores de los capacitores son elegidos para pasar las frecuencias de las señales que dependen de ser transferidos con facilidad, lo que significa que en aplicaciones de alta frecuencia los valores son bajos y en aplicaciones de baja frecuencia, los valores son altos. El cuidado de las tensiones de trabajo es siempre el mismo.
Debe ser al menos 1,5 veces mayor que la encontrada en el circuito en el que se encuentra. Cuánto tiempo u oscilaciones están implicados y el capacitor es responsable de estas cantidades, los valores de los capacitores son críticos y en algunos casos pueden incluso ser recomendados tipos de tolerancias bajas










