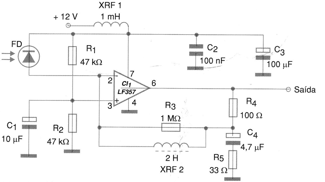
Con el circuito presentado en la figura 1 señales moduladas en frecuencias hasta 40 kHz pueden ser recibidas con facilidad. Se trata de un bloque ideal para poder recibir señales moduladas de controles remotos de TV.
Se pueden utilizar amplificadores operativos equivalentes. La fuente de alimentación no necesita ser simétrica y la foto diodo debe ser de tipo capaz de operar con la frecuencia de las señales a recibir.
Los choques de RF son importantes, pudiéndose utilizar tipos comerciales. El choque de 2 H puede ser el devanado primario de un pequeño transformador común de alimentación. Se deben realizar experimentos con este componente para obtener la mejor respuesta de frecuencia.
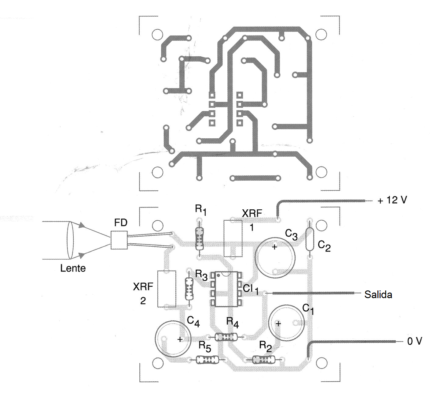
En la figura 2 damos una placa de circuito impreso para el montaje de ese receptor.
El foto-sensor debe ser dotado de recursos ópticos, como lentes, que concentren la radiación recibida de modo a obtener mayor sensibilidad y directividad.
El resistor R3 determina la ganancia del circuito, pudiendo eventualmente cambiarse.
LISTA DE MATERIAL
CI-1 - LF357- amplificador operacional
FD - foto-diodo común
R1, R2 - 47 k ohms x 1/8 W - resistores
R3 - 1 M ohms x 1/8 W - resistor
R4 - 100 ohms x 1/8 W - resistor
R5 - 33 ohms x 1/8 W - resistor
C1 - 10 uF x 16 V - capacitor electrolítico
C2 - 100 nF - capacitor de cerámica
C3 - 100 uF x 16 V - capacitor electrolítico
C4 - 4,7 uF x 16 V - capacitor electrolítico
XRF1, XRF2 - choques de RF - ver texto
Varios:
Placa de circuito impreso, hilos, soldadura, etc.





