Este pequeño radio experimental, muy simple, capta bien las estaciones locales de la banda de ondas medias e incluso estaciones más débiles con el uso de una buena antena. La reproducción es en un pequeño altavoz y la alimentación se puede realizar por dos o cuatro pilas pequeñas.
Si bien las transmisiones de ondas medias deban terminar pronto, todavía existen muchas estaciones operando en esta franja, principalmente en las pequeñas ciudades.
El receptor que describimos tiene finalidad tanto didáctica como recreativa, pudiendo aprovechar componentes de chatarra.
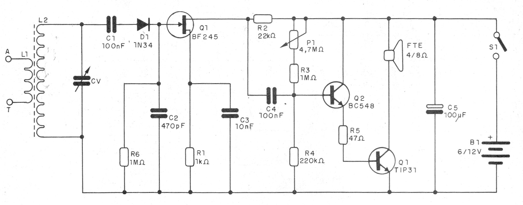
En él tenemos un paso de entrada de excelente ganancia con transistores de efecto de campo, aplicando la señal a un paso Darlington de amplificación.
Como el consumo es algo elevado, recomendamos el uso de pilas medias o de una pequeña fuente de al menos 300 mA.
La fuente puede tener de 6 a 12 V y un buen filtrado para que no se produzcan roncos.
Se trata de un montaje ideal para un curso de iniciación a la electrónica.
En la figura 1 tenemos el diagrama completo del receptor de dos transistores para el rango de ondas medias.
Como se trata de montaje didáctico sugerimos el uso de un puente de terminales, si bien una versión en matriz de contactos también puede ser adoptada.
La disposición de los componentes para el caso del puente de terminales se muestra en la figura 2.
El FET puede ser el BF245 o equivalentes con la misma disposición de terminales.
En el montaje, observe las posiciones de los transistores y la polaridad del diodo.
La bobina se enrolla en un bastón de ferrita que se puede aprovechar de una vieja radio transistorizada fuera de uso.
Esta bobina consta de 80 a 100 espiras de alambre esmaltado 28 o 30 AWG o incluso hilo telefónico rígido.
El capacitor variable se puede aprovechar de una radio fuera de uso, así como el pequeño altavoz y hasta algunos otros componentes.
Los resistores son de 1/8 W con cualquier tolerancia y los capacitores según la lista de materiales.
Para probar, conecta una antena (pedazo de cable de 2 a 5 metros) y la conexión a tierra, ajustando CV y P1 para la mejor recepción.
Lista de material
Q1 - BF245 - transistores de efecto de campo de junción (JFET)
Q2 - BC548 - transistor NPN de potencia
Q3 - TIP31- transistor NPN de potencia
D1 - 1N34 o equivalente - diodo de germanio
L1- Bobina - ver el texto
CV - capacitor variable - ver texto
S1 - Interruptor simple
B1 - 6 a 12 V - Pilas medias o fuente
FTE - 4 ó 8 ohms - Altavoz de 10 cm o mayor
P1 - 4M7 ohms - potenciómetro
R1, R3 - 1 k ohms - resistores - marrón, negro, rojo
R2 - 22 k ohms - resistor - rojo, rojo, naranja
R4 - 220 k ohms - resistores - rojo, rojo, amarillo
R5 - 47 ohms - resistor - amarillo, violeta, negro
C1, C4 - 100 nF - capacitores cerámicos
C2 - 470 pF - capacitor de cerámica
C3 - 10 nF - capacitor de cerámica
C5 - 100 uF - capacitor electrolítico para 16 V o más
Varios:
Puente de terminales o matriz de contactos, fuente de alimentación o pilas, disipador de calor para el transistor de potencia, hilos, soldadura, etc.





