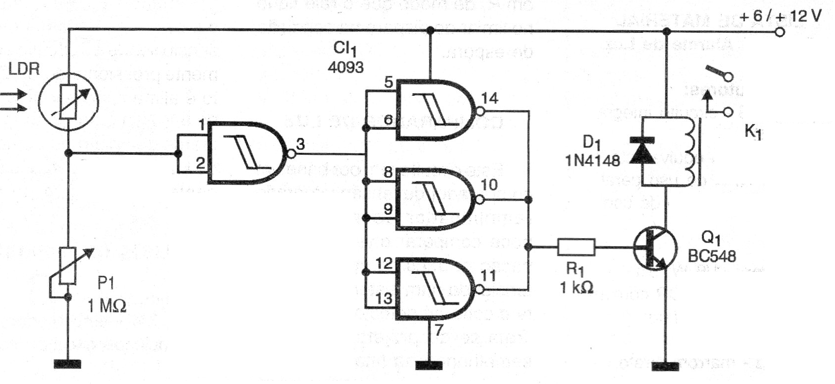
El circuito presentado en la figura 1 tiene como base un 4093 y tiene enorme sensibilidad, dada la elevada impedancia de entrada de las puertas CMOS.
Este circuito dispara un relé cuando incide la luz sobre el LDR y su sensibilidad se ajusta en P1.
Podemos invertir su acción, haciéndolo una sensible alarma de sobre intercambiando las posiciones de P1 y el LDR.
El circuito se puede montar en una matriz de contactos o en una placa de circuito impreso con la disposición de componentes que se muestra en la figura 2.
La alimentación se puede hacer con tensiones de 6 o 12 V según el relé y si se utilizan tipos de base no DIL, se debe cambiar el diseño de la placa.
Para mayor directividad y sensibilidad, el LDR puede instalarse en un tubo opaco con una lente convergente.
Lista de material
CI-1 - 4093 - circuito integrado
Q1 - BC548 - transistores NPN de uso general
D1 - 1N4148 - diodo de uso general
K1 - Relé sensible de 6 o 12 V
P1 - 1 M ohms - potenciómetro
LDR - LDR redondo común
R1 - 1 k ohms - resistor - marrón, negro, rojo
Varios:
Matriz de contactos o placa de circuito impreso, hilos, soldadura, etc.





