En la mayoría de los circuitos en que se utilizan amplificadores operacionales se necesita una tensión positiva y una tensión negativa para la alimentación.
Estas tensiones se obtienen de una fuente simétrica o fuente de dos tensiones, siendo una positiva y otra negativa.
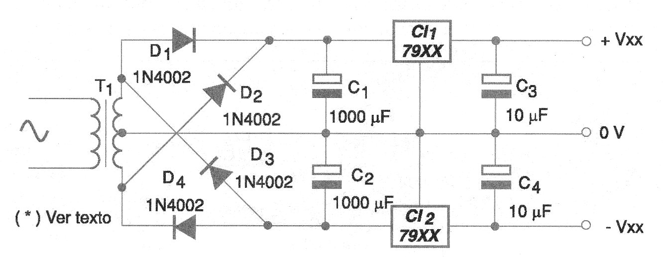
En la figura 1 tenemos un circuito de fuente de alimentación de 6 a 15 V, dependiendo sólo del transformador y del circuito integrado regulador usado.
En realidad, lo que tenemos es una fuente que combina los dos circuitos anteriores, en un solo teniendo una referencia única de tierra.
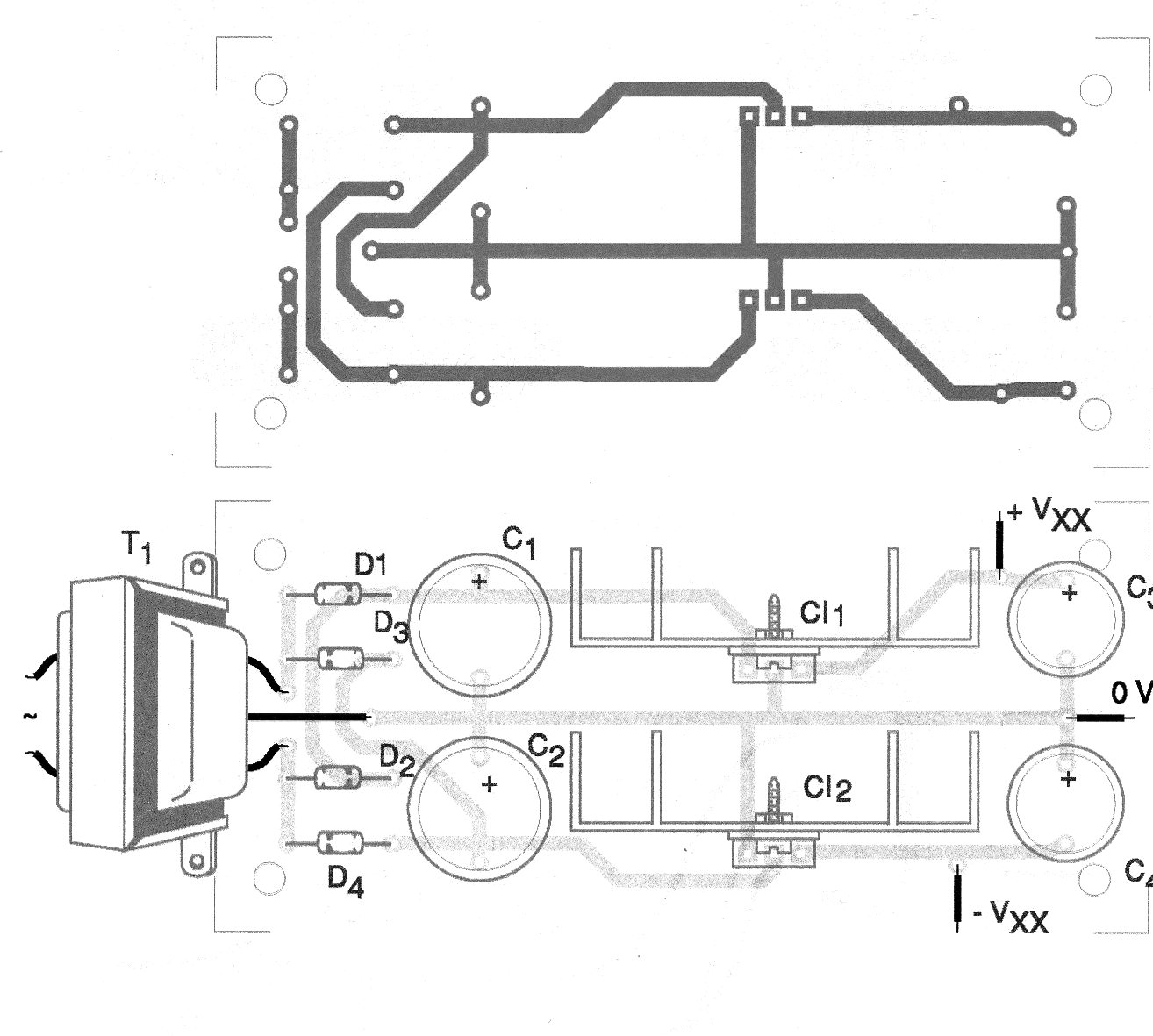
La placa de circuito impreso para el montaje de esta fuente se muestra en la figura 2.
El transformador debe tener un secundario con una tensión con aproximadamente 2 voltios más la tensión que se desea en la salida de la fuente simétrica. Por ejemplo, para una fuente de 12 + 12 V, utilizar un transformador de 15 + 15 V.
La corriente máxima de esta fuente es 1 A y justamente debe ser la corriente máxima del secundario del transformador usado.
Los circuitos integrados reguladores de tensión deben montarse en radiadores de calor.
Lista de material
CI-1 - 78xx - circuito integrado regulador de tensión
CI-2 - 79xx - circuito integrado regulador de tensión
D1, D2, D3, D4 - 1N4002 - diodos rectificadores
C1, C2 - 1 000 uF - capacitores electrolíticos
C3, C4 - 10 uF - capacitores electrolíticos
T1 - Transformador - ver texto
F1 - 500 mA - fusible
Varios:
Placa de circuito impreso, radiadores de calor para los circuitos integrados, cable de fuerza, zócalo para el fusible, hilos, soldadura, etc.





